AGÆì½¢Ìü

Loading...

KYN66-40.5îø×°ÒÆ¿ªÊ½½ðÊô¹Ø±Õ¿ª¹Ø×°±¸

²úÆ·ÐÎò


Ò»¡¢Ö÷ÌâÄÚÈÝÓëÊÊÓùæÄ£


1¡¢Ö÷ÌâÄÚÈÝ
±¾ËµÃ÷Êé»®¶¨ÁËKYN66-40.5ÐÍîø×°ÒÆ¿ªÊ½½»Á÷½ðÊô¹Ø±Õ¿ª¹Ø×°±¸£¨ÒÔϼò³Æ¿ª¹Ø¹ñ)µÄÊÖÒÕÊý¾Ý £¬½á¹¹¸Å¿ö £¬ÊÂÇéÔ­Àí £¬×°Öûù´¡³ß´ç £¬ÔËÊä±£¹Ü¼°ÔËÐÐÄ¥Á·µÈ·½ÃæµÄ×¢ÖØÊÂÏî £¬×÷ΪÓû§Ñ¡ÐͺÍʹÓõÄÒÀ¾Ý¡£
2¡¢ÊÊÓùæÄ£
±¾ËµÃ÷ÊéÊÊÓÃÓÚKYN66-40.5ÐÍÕæ¿Õ¿ª¹Ø¹ñ

¶þ¡¢²úÆ·ÓÃ;

±¾²úÆ·ÇкÏGB3906-91¡¶3~35kV½»Á÷½ðÊô¹Ø±Õ¿ª¹Ø×°±¸¡·¼°DL/T404-1997¡¶»§ÄÚ½»Á÷¸ßѹ¿ª¹Ø¹ñ¶©»õÊÖÒÕÌõ¼þ¡·µÄÓйØÒªÇó¡£ÊÊÓÃÓÚ40.5kV½»Á÷ÈýÏà50Hzµ¥Ä¸ÏßµçÁ¦ÏµÍ³ÖÐ £¬×öΪ½ÓÊܺͷÖÅɵçÄÜÖ®Óà £¬±¾²úƷΪ»§ÄÚʹÓá£

Èý¡¢Ê¹ÓÃÇéÐÎ

1¡¢ÖÜΧ¿ÕÆøÎ¶ȣºÉÏÏÞ£º40¡æ£»ÏÂÏÞ£º-10¡æ
2¡¢º£°Î£º²»´óÓÚ1000m¡£Èô´óÓÚ1000m £¬¶©»õʱÐèÌØÊâ˵Ã÷¡£
3¡¢Êª¶È¼°ëçÅH£ºÏà¶ÔÈÕÆ½¾ùÖµ²»´óÓÚ95%¡¢ÔÂÆ½¾ùÖµ²»´óÓÚ90%¡£ÈçÔÚ¸ßʪÆÚÄÚζȼ±½µÊ±ÔÊÐí±¬·¢Äý¶ £¬»ò¿ª¹Ø¹ñÔÚGB3906-91¸½Â¼E»®¶¨µÄ1¼¶Ìõ¼þʹÓà £¬ÐèÔÚ¶©»õʱ˵Ã÷¡£
4¡¢¿ª¹Ø¹ñÔÊÐíÔÚ8¼¶µØ¶¯ÁҶȵØÇøÊ¹Óá£
5¡¢ÖÜΧ¿ÕÆø²»ÊÜÇÖÊ´ÐÔÆøÌ塢ˮÕôÆûÏÔ×ÅÎÛȾ¡£
6¡¢ÎÞ¾­³£ÐÔÇ¿ÁÒÕñ¶¯¡£

ËÄ¡¢²úƷϵÁкÍÖ÷Òª¹æ¸ñ

1¡¢±¾²úƷϵÁпɷÖΪ±ê×¼ÐÍ£¨»úеÊÙÃü1Íò´Î)ºÍ¿ÉƵÈÔ²Ù×÷ÐÍ£¨»úеÊÙÃü12Íò´Î)¡£
2¡¢È«ÐͺŵÄ×é³É


AGÆì½¢Ìü (Öйú´ó½) Apple Store 

3¡¢¿ª¹Ø¹ñÖ÷»ØÂ·¼Æ»®¼û±í1£»±í2¡£
 

AGÆì½¢Ìü (Öйú´ó½) Apple Store


Îå¡¢Ãû´ÊÚ¹ÊÍ

1¡¢¿ÉÒÆ¿ª²¿¼þÔÚ¿ª¹Ø¹ñÄÚµÄ״̬
(1£©Ëø¶¨×´Ì¬£ºËø¶¨×´Ì¬ÊÇ¿ÉÒÆ¿ª²¿¼þÔÚ¹ñÄÚµÄÒ»ÖÖÎȹÌ״̬ £¬ÔÚÕâÖÖ״̬ʱ £¬¿ÉÒÆ¿ª²¿¼þÉÏ×°ÖõĶÏ·Æ÷¿ÉÒÔ¾ÙÐкÏÕ¢»ò·ÖÕ¢²Ù×÷£»Íƽø»ú¹¹µÄÒ¡°Ñ²å¿Ú±»¹Ø±Õ £¬¿ÉÒÆ¿ª²¿¼þ²»¿ÉÒÆ¶¯¡£¿ÉÒÆ¿ª²¿¼þµÄËø¶¨×´Ì¬Ö»ÄÜÔÚÊÂÇéλÖúÍÊÔÑéλÖÃʵÏÖ¡£Ëø¶¨×´Ì¬µÄʵÏÖÏ¢Õù³ý £¬¶¼ÊÇͨ¹ýËø¶¨»ú¹¹¼°ÁªËøÊµÏֵġ£ÔÚËø¶¨Î»Öà £¬Ëø¶¨»ú¹¹ÊµÏÖ¶ÔС³µµÄËø¶¨»òɨ³ýµÄͬʱ £¬ÆäÁªËø»ú¹¹Íê³É¶ÔÍÆ½ø»ú¹¹Ò¡°Ñ²å¿×µÄ¹Ø±Õ»ò·­¿ª¡£
(2)ÒÆ¶¯×´Ì¬;ÒÆ¶¯×´Ì¬ÊÇ¿ÉÒÆ¿ª²¿¼þÔÚ¹ñÄÚµÄÒ»ÖÖÔÝʱ״̬ £¬ÔÚÕâÖÖ״̬Ï £¬¿ÉÒÆ¿ª²¿¼þÉÏ×°ÖõĶÏ·Æ÷²»¿É¾ÙÐвÙ×÷ £¬Ëø¶¨»ú¹¹É¨³ý¶ÔС³µµÄËø¶¨©rÍÆ½ø»ú¹¹Ò¡°Ñ²å¿Ú·­¿ª £¬¿ÉÒÆ¿ª²¿¼þ¿ÉÒÔÔÚ¹ñÄÚµÄÊÔÑéλÖúÍÊÂÇéλÖÃÖ®¼äÒÆ¶¯¡£
2¡¢¿ÉÒÆ¿ª²¿¼þÔÚ¿ª¹Ø¹ñÄÚµÄλÖÃ
(1£©Ëø¶¨Î»ÖÃ
(a£©ÊÂÇéλÖÃ:ÕâÊÇ¿ÉÒÆ¿ª²¿¼þµÄÒ»ÖÖËø¶¨×´Ì¬¡£ÔÚÊÂÇéλÖà £¬¿ª¹Ø¹ñµÄÖ÷»ØÂ·½Óͨ £¬¸¨Öú»ØÂ·Ò²½Óͨ¡£
(b£©ÊÔÑéλÖÃ:ÕâÊÇ¿ÉÒÆ¿ª²¿¼þµÄÁíÒ»ÖÖËø¶¨×´Ì¬¡£ÔÚÊÔÑéλÖà £¬¿ª¹Ø¹ñµÄ¸¨Öú»ØÂ·½Óͨ £¬µ«Ö÷»ØÂ·¶Ï¿ª¡£
(2£©ÔÝͣλÖÃ:ÕâÊÇÒÆ¶¯×´Ì¬ºÍËø¶¨×´Ì¬Ö®¼äµÄÒ»¸öλÖà £¬ÍƽøÀú³ÌÖÐÔÚ´ËλÖÃÓ¦²åºÃ¶þ´Î²åÍ· £¬Èç²»²å¶þ´Î²åͷС ³µÎÞ·¨½øÈëËø¶¨×´Ì¬¡£

Áù¡¢ÊÖÒÕ²ÎÊý

1¡¢¿ª¹Ø¹ñÊÖÒÕ²ÎÊý¼û±í3


AGÆì½¢Ìü (Öйú´ó½) Apple Store 

2¡¢Õæ¿Õ¶Ï·Æ÷ÊÖÒÕ²ÎÊý¼û±í4¡¢±í5¡£


AGÆì½¢Ìü (Öйú´ó½) Apple Store 

3¡¢µçÁ÷»¥¸ÐÆ÷Ö÷ÒªÊÖÒÕ²ÎÊý¼û±í6;±í7
 

AGÆì½¢Ìü (Öйú´ó½) Apple Store

AGÆì½¢Ìü (Öйú´ó½) Apple Store


4¡¢µçѹ»¥¸ÐÆ÷Ö÷ÒªÊÖÒÕ²ÎÊý¼û±í8¡¢±í9


AGÆì½¢Ìü (Öйú´ó½) Apple Store 

5¡¢HY5WZ2ÐͱÜÀׯ÷ÊÖÒÕ²ÎÊý


AGÆì½¢Ìü (Öйú´ó½) Apple Store 

6¡¢SC8-50/35Ð͸Éʽ±äѹÆ÷ÊÖÒÕ²ÎÊý


AGÆì½¢Ìü (Öйú´ó½) Apple Store 

7¡¢ÈÛ¶ÏÆ÷ÊÖÒÕ²ÎÊý¼û±í10¡¢±í11¡£


AGÆì½¢Ìü (Öйú´ó½) Apple Store 

8¡¢JN12-40.5Ðͽӵؿª¹ØÖ÷ÒªÊÖÒÕ²ÎÊý

AGÆì½¢Ìü (Öйú´ó½) Apple Store 

Æß¡¢½á¹¹¼òÊö

±¾ÐÍ¿ª¹Ø¹ñÊÇÆ¾Ö¤GB3906-91Öл®¶¨µÄîø×°ÒÆ¿ªÊ½Éè¼Æ¡¢ÖÆÔìµÄ¡£¹ñÌå·À»¤Æ·¼¶ÎªIP20¡£¿ª¹Ø¹ñÖ÷ÒªÓɹñÌåºÍ¿ÉÒÆ¿ª²¿¼þ£¨¼ò³ÆÐ¡³µ)Á½²¿·Ö×é³É £¬¹ñÌå½á¹¹ÐÎ×´¼ûͼ1 £¬¶Ï·Æ÷С³µ½á¹¹ÐÎ×´¼ûͼ2 £¬µçѹ»¥¸ÐÆ÷С³µÐÎ×´¼ûͼ3¡£
1¡¢¹ñÌå
KYN66-40.5ÐÍ¿ª¹Ø¹ñÊÇÓɽǸֺͽðÊô±¡¸Ö°åº¸½Ó¶ø³É £¬¹ñÄÚÓýӵصĽðÊô¸ô°å°´¹¦Ð§Ö§½â³ÉËĸö×ÔÁ¦¸ôÊÒ £¬¼´Ð¡³µÊÒ¡¢Ö÷ĸÏßÊÒ¡¢µçÀÂÊҺͼ̵çÆ÷ÊÒ¡£ÆäÖÐÖ÷ĸÏßÊҺ͵çÀÂÊÒΪ¶Ô³Æ½á¹¹ £¬Ö÷ĸÏß¿ÉÖÃÓÚ¹ñºóÉÏÊÒ £¬Ò²¿ÉÖÃÓÚ¹ñºóÏÂÊÒ £¬Óû§¿Éƾ֤ÐèÒªÎÞаÔËÓ᣹ñÌå½ÓÄɸ´ºÏ¾øÔµ,¸´ºÏ¾øÔµÊ±¿ÕÆø¾àÀë¡Ý220mm¡£±¾ÐÍ¿ª¹Ø¹ñÉÏÊÕÖ§ÏßÄÚ²¿°²Åżûͼ4 £¬µçÀÂÊÕÖ§ÏßÄÚ²¿°²Åżûͼ5¡£
С³µÊÒºÍÖ÷ĸÏßÊÒ¶¥²¿¾ùÉèÓÐѹÁ¦ÊÍ·Å×°ÖÃ,µ±¹ñÄÚÓÉÓÚÒâÍâÔµ¹ÊÔ­ÓÉѹÁ¦Ôö´óʱ £¬Ñ¹Á¦ÊÍ·Å×°ÖÃÉϵĸǰ彫×Ô¶¯·­¿ª £¬Ê¹Ñ¹ÊµÁ¦Ì嶨ÏòÅÅ·Å £¬ÒÔ°ü¹Ü²Ù×÷Ö°Ô±ºÍ×°±¸µÄÇå¾²¡£

AGÆì½¢Ìü (Öйú´ó½) Apple Store

AGÆì½¢Ìü (Öйú´ó½) Apple Store  

С³µÊҵĵײ¿ÉèÓÐС³µ¹ìµÀ,¹©Ð¡³µÔÚ¹ñÄÚÔ˶¯¡£Ð¡³µÊÒ×óÓÒÁ½²àÉèÓпªºÏÖ÷»ØÂ·ÕÚµ²Á±°åµÄ»ú¹¹ºÍС³µºáÏòÏÞλװÖá£ÈôÊÇ¿ª¹Ø¹ñÉèÓнӵؿª¹Ø¡£½ÓµØ¿ª¹ØµÄ²Ù×÷»ú¹¹¼°Æä»ú¹¹ÁªËøÉèÔÚС³µÊÒÓҲࡣ
С³µÊÒÓëÖ÷ĸÏßÊҺ͵çÀÂÊҵĸô°åÉÏ×°ÖÃÓеçÁ÷»¥¸ÐÆ÷Ó봥ͷºÐºÏΪһÌåµÄÖ÷»ØÂ·¾²´¥Í·ºÐ¡£´¥Í·ºÐ¼È°ü¹ÜÁ˸÷¹¦Ð§Ð¡ÊҵĸôÀë £¬Í¬Ê±Ò²×öΪ¾²´¥Í·µÄÖ§³Ö¼þ¡£µ±Ð¡³µ²»ÔÚ¹ñÄÚʱ £¬Ö÷»ØÂ·¾²´¥Í·Óɽӵر¡¸Ö°åÖÆ³ÉµÄÔ˶¯Á±×Ó°å¸Çס £¬°ü¹ÜÔÚС³µÊÒÊÂÇéµÄÖ°Ô±Çå¾²¡£µ±Ð¡³µ½øÈëʱ £¬Ô˶¯Á±°å×Ô¶¯·­¿ª £¬ÐÂÎÅ´¥Í·Ë³Ëì½Óͨ¡£Ð¡³µÇ°¸Ç°åÓë¹ñÌåǰÃźÏΪһÌå,µ±Ð¡³µÍ˳ö¹ñÍâʱ £¬Ô˶¯Á±°å½«×÷Ϊ¹ñÍâ¿ÇµÄÒ»²¿·Ö¡£
Ö÷ĸÏßÊÒÄÚ×°ÖÃÈýÏà70¡Á4µÄÔ²¹ÜÐÎĸÏß¡£¸÷¿ª¹Ø¹ñÖ÷ĸÏßÊÒ¾­¾øÔµÌ×¹ÜÒâ»á©oÔËÐÐʱ¸÷¹ñµÄÖ÷ĸÏßÊÒÖ®¼äÊÇÀë¸ôµÄ £¬¿ÉÒÔ×èÖ¹Ò»¸ö¾àÀë·ºÆðÒâÍâ £¬»ö¼°ÆäËû¿ª¹Ø¹ñµÄÀ©Õ¹ÐÔʹʱ¬·¢¡£
µçÀÂÊÒÄÚÆ¾Ö¤Ö÷»ØÂ·¼Æ»®µÄÐèÒª £¬¿ÉÒÔ×°ÖõçÁ÷»¥¸ÐÆ÷¡¢½ÓµØ¿ª¹Ø¡¢´øµçÏÔʾװÖá£ÓÉÓڴ˹ñ¹ñÐÍÌå»ý½ÏС £¬Òò´ËµçÀÂÍ·²»¿ÉÔÚ±¾¹ñÄÚ×°Öà £¬Ö»ÄÜÖÃÓÚµçÀ¹µÄÚ¡£µçÀÂÍÑÀëºó´©¹ý¾øÔµÌ׹ܽøÈë±¾¹ñµçÀÂÊÒ¡£
¼ÌµçÆ÷ÊÒÄÚÉèÓм̵çÆ÷×°Öðå £¬¿É×°ÖÃ͹³ö×°ÖõÄÖÖÖ̵ּçÆ÷ £¬¼ÌµçÆ÷ÊÒÃÅÉÏ¿É×°ÖÃÖÖÖÖ¼ÆÁ¿ÒÇ±í¡¢²Ù×÷¿ª¹Ø¡¢ÐźÅ×°Öá¢Ç¶Èëʽ¼ÌµçÆ÷»òÖÖÖÖ×ۺϱ£»¤×°ÖõÈ¡£¼ÌµçÆ÷ÊÒ¶¥²¿ÊÇСĸÏßÊÒ £¬Ð¡Ä¸ÏßÊÒÄÚÉèÓÐÓÃÓÚÀο¿6mmÖ±¾¶»ÆÍ­¹÷µÄСĸÏß¶Ë×Ó¡£µ¥²ã°²ÅÅʱ×î¶à¿ÉÉè12ÌõСĸÏß;Ë«²ã°²ÅÅʱ×î¶à¿ÉÉè24ÌõСĸÏß¡£¼ÌµçÆ÷ÊÒϲ¿×°Ööþ´Î¶Ë×ÓÅÅ £¬¶Ë×ÓÅÅ×°ÖÃÓÚÀο¿Ôڼ̵çÆ÷ÊÒµ×°åÉϵÄ×°ÖÃÖ§¼ÜÉÏ¡£Èç×°ÖÃJH5ÐͽÓÏß¶Ë×Ó £¬×î¶à¿É×°ÖÃ110¸ö¡£Ð¡Ä¸ÏßÊҵĺóÃæÊǶþ´ÎµçÀÂÊÒ¡£ÓÉÓÚ¹ñÌåÌå»ý½ÏС,ÔÚ±¾¹ñÎÞ·¨Éè¼Æ¶þ´ÎµçÀÂÊÕÖ§¿× £¬¶þ´ÎµçÀÂÊÇͳһͨ¹ýרÉèµÄ¶þ´ÎµçÀ¹ñÅÀµ½¹ñ¶¥,ͨ¹ý¶þ´ÎµçÀÂÊÒµÖ´ï¸÷¹ñ¼ÌµçÆ÷ÊÒ¡£Ò»×éÅÅÁеĿª¹Ø¹ñ¶þ´ÎµçÀÂÊÒÊǹᴮµÄ £¬¶þ´ÎµçÀ¹ñ¿ÉÖÃÓÚÒ»×éÅÅÁпª¹Ø¹ñµÄ×ó¶Ë»òÓÒ¶Ë £¬Ò²¿ÉÖÃÓÚÒ»×éÅÅÁпª¹Ø¹ñµÄÖÐÐÄ¡£¶þ´ÎµçÀ¹ñÖÃÓÚÁ½Í·Ê±¹ñ¿íΪ300mm £¬ÖÃÓÚÖÐÐÄʱ¹ñ¿íΪ400mm £¬¹ñÉî¾ùÓë¹ñÌåͬÉî¡£
רÓüÆÁ¿¹ñΪÀο¿Ê½½á¹¹,ÆäÄÚ²¿½á¹¹¼°ÐÎ×´¼ûͼ6¡£
ĸÏßÇÅΪ½ðÊô½Ç¸Öº¸½Ó¹Ç¼Ü £¬ÖÜΧÓýðÊô±¡¸Ö°åͨ¹ýÂÝ˨Óë¹Ç¼ÜÏàÁ¬ £¬×é³É½ðÊô¹Ø±ÕĸÏßÇÅ¡£ÃæÆËÃæÄ¸ÏßÇÅ×°Åä¼ûͼ7-8;¶ÔǽĸÏßÇÅ×°Åä¼ûͼ9-10¡£
 

AGÆì½¢Ìü (Öйú´ó½) Apple Store

AGÆì½¢Ìü (Öйú´ó½) Apple Store


2¡¢Ð¡³µ

ƾ֤С³µÉÏÉèÖõÄÖ÷»ØÂ·Ôª¼þµÄ²î±ð £¬¿ÉÒÔÓжÏ·Æ÷С³µ¡¢µçѹ»¥¸ÐÆ÷С³µ¡¢¸ôÀëС³µºÍËùÓñäС³µµÈ¡£Í¬¹æ¸ñС³µ°ü¹Ü½»Á÷¡£Ð¡³µÔÚ¹ñÄÚÓÐÊÔÑéλÖúÍÊÂÇéλÖÃÁ½¸öËø¶¨×´Ì¬¡£Ð¡³µµÄÍÆ½ø(Í˳ö£©½ÓÄÉÎÏÂÖ¸±Ê¡Á¦»ú¹¹ £¬²Ù×÷ÇáÓ¯¡¢ÎÞа¡£Ð¡³µÊÕÖ§¹ñʱ £¬ÐèҪʹÓÃרÓø½¼Ó¹ìµÀ¡£
3¡¢ÁªËø
±¾ÐÍ¿ª¹Ø¹ñÉè¼ÆÁ˿ɿ¿µÄ¡°Îå·À¡±±ÕËøÏµÍ³¡£
(1)ÍÆ½ø»ú¹¹Óë¶Ï·Æ÷Ö®¼äµÄÁªËø
Ϊ±ÜÃâÔÚ¶Ï·Æ÷¹ØºÏ״̬ÏÂÍÆÀ­Ð¡³µ¶øÔì³É´ø¸ººÉÍÆÀ­Ð¡³µµÄ¶ñÐÔʹʱ¬·¢ £¬¿ª¹Ø¹ñС³µÉÏÉèÓлúеÁªËø¡£


AGÆì½¢Ìü (Öйú´ó½) Apple Store 

a.µ±Ð¡³µ´¦ÓÚÊÂÇéλÖûòÊÔÑéλÖà £¬Ð¡³µËø¶¨»ú¹¹ÊÖ±úת¶¯µ½Ëø¶¨Î»Öà £¬Ê¹Ð¡³µ¶¨Î»Öá²åÈë¹ñÌåºáÏòËø¶¨¿éµÄËø¿×ÄÚ £¬Í¬Ê±Íƽø»ú¹¹Ò¡°Ñ²å¿×±»ÕÚµ²¡£Èô¶Ï·Æ÷ºÏÕ¢ £¬¶Ï·Æ÷²ÙÄîÍ·¹¹Êä³ö´óÖáµÄ¹Õ±Û×èµ²Áª¸ËÏòÉÏÔ˶¯ £¬Ê¹Ð¡³µËø¶¨»ú¹¹ÊÖ±úÎÞ·¨Òƶ¯ £¬È·±£Ð¡³µÖ»ÄÜ´¦ÓÚËø¶¨×´Ì¬¡£Ö»Óе±¶Ï·Æ÷´¦ÓÚ·Öբ״̬ £¬Ð¡³µËø¶¨»ú¹¹ÊÖ±ú²Å»ª×ª¶¯ £¬µ±ÊͦúתÖÁÒÆ¶¯Î»ÖÃʱ £¬Íƽø»ú¹¹Ò¡°Ñ²å¿×±»ÍêÈ«·­¿ª £¬Ð¡³µ²Å¿ÉÒÔÔ˶¯¡£±ÜÃâÁË´ø¸ººÉÍÆÀ­Ð¡³µ¡£
b.µ±Ð¡³µÎ´½øÈëËø¶¨Î»ÖûòÍÆ½øÒ¡°Ñδʵʱ°Î³öʱ £¬Ð¡³µËø¶¨»ú¹¹ÊÖ±úÎÞ·¨´ÓÒÆ¶¯Î»ÖÃ×ªÎªËø¶¨Î»Öà £¬Í¬Ê± £¬Ð¡³µµÄ»úеÁªËøÍ¨¹ý¶Ï·Æ÷ÄÚ²¿»úеÁªËø¸Çס¶Ï·Æ÷µÄºÏÕ¢»ú¹¹,ʹµç¶¯»òÊÖ¶¯ºÏÕ¢¾ùÎÞ·¨¾ÙÐС£´Ó¶ø°ü¹ÜÁËÔËÐеÄÇå¾²ÐÔ¡£
 

AGÆì½¢Ìü (Öйú´ó½) Apple Store

AGÆì½¢Ìü (Öйú´ó½) Apple Store


±ðµÄ £¬ÔÚÓпɿ¿»úеÁªËøµÄͬʱÉÐÓÐµçÆøÁªËø×÷Ϊºó±¸±ÕËø £¬Ð¡³µÎ»ÖõÄÐг̿ª¹Ø½Óµã½ÓÈë¶Ï·Æ÷µÄºÏÕ¢»ØÂ· £¬Ð¡³µÖ»ÓÐÔÚËø¶¨Î»ÖòŻª½ÓͨºÏÕ¢»ØÂ·¡£
(2)С³µÓë½ÓµØ¿ª¹ØÖ®¼äµÄÁªËø
±¾ÐÍ¿ª¹Ø¹ñÉè¼ÆÎªÐ¡³µÇ°¸Ç°åÓë¹ñÌåǰÃźÏΪһÌå,µ±Ð¡³µÔÚ¹ñÄÚʱ,С³µÇ°¸Ç°å¸ÇסÁ˽ӵؿª¹Ø²Ù×÷ÊÖ±úµÄ²åÈë¿× £¬Òò´ËÒªÏëºÏ½ÓµØ¿ª¹ØÊ±Ð¡³µ±ØÐèÒÆ³ö¹ñÍâ,±ÜÃâÁË´øµçºÏ½ÓµØ¿ª¹Ø©r½ÓµØ¿ª¹Ø±ÕºÏµÄͬʱ»úеÁªËø¿é¸ÇסС³µÔËÐйìµÀ £¬Ê¹Ð¡³µÎÞ·¨½øÈë¹ñÄÚ £¬±ÜÃâ½ÓµØ¿ª¹Ø´¦ÓÚºÏբ״̬Ë͵çµÄÎó²Ù×÷±¬·¢¡£
(3£©¶þ´Î²åÍ·ºÍС³µËø¶¨»ú¹¹Ö®¼äµÄÁªËø
ÈôÊÇС³µ¶þ´Î²åÍ·²»²åºÃ £¬Ð¡³µµÄËø¶¨»ú¹¹½«ÎÞ·¨×ªµ½Ëø¶¨Î»Öà £¬Ê¹Ð¡³µÔÚÊÂÇéλÖÃ(ÊÔÑéλÖÃ)ÎÞ·¨Ëø¶¨¡£ÈçÈôÏë°Î϶þ´Î²åÍ· £¬Ö»ÓÐÔÚС³µÍ˵½ÊÔÑéλÖúó £¬½«Ð¡³µËø¶¨»ú¹¹ÊÖ±úתÖÁÔÝͣλÖÃʱ²Å¿É¾ÙÐвÙ×÷¡£
(4)¸ôÀëС³µµÄÁªËø
ÓÉÓÚ¸ôÀëС³µÃ»Óзֶϡ¢¹ØºÏ¸ººÉµçÁ÷µÄÄÜÁ¦,ΪÁË×èÖ¹¸ôÀëС³µÔÚÏà¹Ø¶Ï·Æ÷ûÓзÖÕ¢µÄÇéÐÎÏÂÍÆÀ­,ÔÚС³µÇ°¸Ç°åÉÏ×°Ò»°Ñµç´ÅËø,µç´ÅËøËø×¡ÓëС³µËø¶¨»ú¹¹ÊÖ±úÒ»ÆðÁª¶¯µÄÔ²ÅÌ £¬Ö»Óеç´ÅËøÓеç(ͨ³£µçÔ´ÓÉÏà¹Ø¶Ï·Æ÷µÄ³£±Õ¸¨Öú½Óµã¿ØÖÆ) £¬Ëø±»·­¿ª £¬ËøÉàÍ˳ö £¬Ð¡³µËø¶¨»ú¹¹ÊÖ±ú²Å»ª×ª¶¯ £¬É¨³ýС³µËø¶¨²¢·­¿ªÍƽø»ú¹¹µÄÒ¡°Ñ²å¿×¡£
(5£©¹ñºóÃÅ(½øÏßÊÒ»òµçÀÂÊÒÏà¶ÔÓ¦µÄÃÅ)Óë½ÓµØ¿ª¹Ø¼°¶Ï·Æ÷¼äÁªËø
¶Ï·Æ÷¹ñ¹ñºóÃÅ×°ÖÃÒ»Ðг̿ª¹Ø¼°Ò»°Ñµç´ÅËø £¬Ðг̿ª¹ØµÄ³£¿ª½Óµã¶Ï¿ª¶Ï·Æ÷µÄºÏÕ¢»ØÂ· £¬Ö»ÓкóÃÅÍêÈ«¹ØºÃºó¶Ï·Æ÷²Å»ªºÏÕ¢ £¬ÈôΪ³öÏß¹ñ £¬½ÓµØ¿ª¹ØÉϵĸ¨Öú¿ª¹Ø³£¿ª½Óµã¿ØÖƵç´ÅËøµçÔ´ £¬Ö»Óнӵؿª¹Ø¹ØºÏºóµç´ÅËøÍ¨µç £¬ºóÃŲŻª·­¿ª £¬ÈôΪ½øÏß¹ñ £¬ÏÔʾÆ÷Ç¿ÖÆ±ÕËø½Óµã¿ØÖƵç´ÅËøµçÔ´ £¬Ö»ÓнøÏß²àûÓеçѹʱµç´ÅËøÍ¨µç £¬ºóÃŲŻª·­¿ª¡£
¸ôÀë¹ñ¹ñºóÃÅÖ»×°ÖÃÒ»°Ñµç´ÅËø £¬ÈôΪ³öÏß¹ñ £¬½ÓµØ¿ª¹ØÉϵĸ¨Öú¿ª¹Ø³£¿ª½Óµã¿ØÖƵç´ÅËøµçÔ´ £¬Ö»Óнӵؿª¹Ø¹ØºÏºóµç´ÅËøÍ¨µç £¬ºóÃŲŻª·­¿ª £¬ÈôΪ½øÏß¹ñ £¬ÏÔʾÆ÷Ç¿ÖÆ±ÕËø½Óµã¿ØÖƵç´ÅËøµçÔ´ £¬Ö»ÓнøÏß²àûµçѹʱµç´ÅËøÍ¨µç,ºóÃŲŻª·­¿ª¡£


AGÆì½¢Ìü (Öйú´ó½) Apple Store

AGÆì½¢Ìü (Öйú´ó½) Apple Store

4¡¢¿ª¹ñµÄ¶þ´Î½ÓÏß
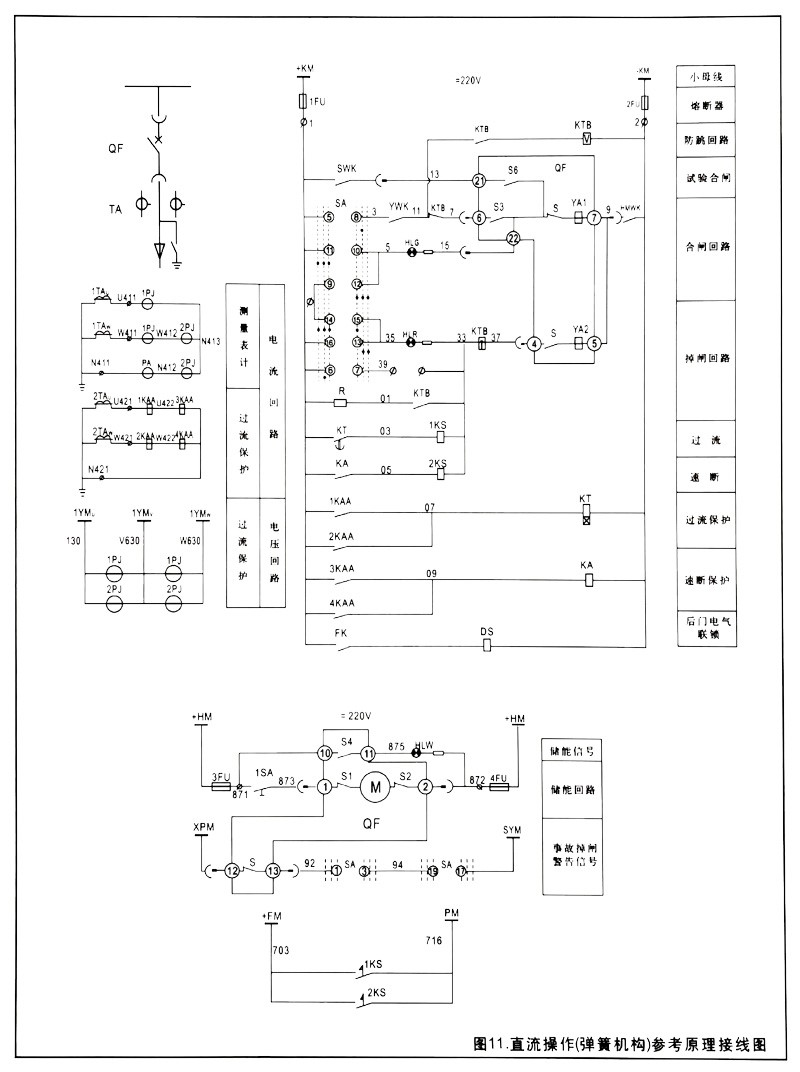
Óû§¿Éƾ֤×Ô¼ºµÄϵͳÏÖÕæÏàÐÎÑ¡Ôñ¿ØÖƵçÔ´ºÍÉèÖöÏ·Æ÷µÄ¿ØÖƵç·,²¢Éè¼ÆÏìÓ¦¿ª¹Ø¹ñ¶þ´ÎÔ­Àíͼ¡£Í¼11ÊǶÏ·Æ÷¹ñµÄ¿ØÖƼ°±£»¤Ô­Àí²Î¿¼Í¼ £¬Í¼12ÊÇÏìÓ¦µÄ¶Ï·Æ÷ÄÚ²¿½ÓÏßͼ £¬¹©Óû§Éè¼ÆÊ±²Î¿¼¡£Í¼ÖеÄС³µÎ»Öÿª¹Ø×°ÖÃÓÚС³µÊÒ¶¥¸Ç°åÉÏ £¬·´Ó¦Ð¡³µÔÚ¹ñÄÚµÄλÖà £¬½ÓµãΪÁ½³£¿ª(»òÒ»¿ªÒ»±Õ;»òÁ½³£±Õ)¡£Í¼13ºÍͼ14Êǵçѹ»¥¸ÐÆ÷ºÍרÓüÆÁ¿¹ñµÄÔ­Àí½ÓÏ߲ο¼Í¼¡£Í¼15ΪËùÓñä¹ñÔ­Àí½ÓÏ߲ο¼Í¼¡£


°Ë¡¢×°Öõ÷½â


1¡¢¿ª¹Ø¹ñ×°ÖÃǰ £¬Ê×ÏÈÓ¦¼ì²é×°Öûù´¡ÊÇ·ñ¼°¸ñ£¨Çкϡ¶ÐÞ½¨µçÆø×°Öù¤³ÌÖÊÁ¿¼ì²éÆÀ¶¨±ê×¼¡·GBJ303-88µÄÒªÇó¡£)¿ª¹Ø¹ñ»ù´¡²Û¸Ö°²Åż°µçÀ¿ª¿×Çë°Ý¼ûͼ16¡¢Í¼17 £¬¶þ´ÎµçÀ¹ñ»ù´¡¿ª¿×¼ûͼ18¡£
2¡¢¿ª¹Ø¹ñµÄ»ù´¡Ê©¹¤Ò»Ñùƽ³£Ó¦µ±·ÖÁ½´Î½½ÆÌ»ìÄýÍÁ £¬µÚÒ»´ÎÀο¿µçÀ²۸Ö £¬µÚ¶þ´ÎÆÌÉèµØÃæ £¬Ò»Ñùƽ³£ÆÌÉèºñ¶ÈΪ60mm,µØÃæÓ¦µÍÓÚ»ù´¡²Û¸ÖµÄÉÏÆ½Ãæ3~6mm¡£
3¡¢¿ª¹Ø¹ñÈôÊÇÊǵ¥ÃæÅÅÁÐ £¬¹ñǰ×ßÀÈÒÔ´óÓÚ2.5mΪÒË £¬¿ª¹Ø¹ñÈôÊÇÊÇÁ½ÁÐÆËÃæÅÅÁÐ £¬¹ñ¼ä×ßÀÈÒÔ²»Ð¡ÓÚ3.5mΪÒË¡£
4¡¢²ðÏäºó £¬Ó¦Ê×Ïȱ£¹ÜºÃËæÏäÎļþ×ÊÁÏ £¬²¢Æ¾Ö¤×°Ïäµ¥¼ì²éËæ¹ñ±¸¼þ¡¢¸½¼þÊÇ·ñÆëÈ« £¬²¢×÷Ïà¹Ø¼Í¼ £¬È»ºó¼ì²é¿ª¹Ø¹ñÓÐûÓÐÏÔ×ŵÄË𻵡£ÈçûÓÐÎÊÌâ £¬¿Éµõ×°¾Íλ½øÈë×°Öá£
5¡¢¿ª¹Ø¹ñ²¢ÁкóÓ¦ÓëÏàÁÙ¹ñ¿¿½ô £¬ÓÃÂÝ˨Àο¿ÔÚÒ»Æð¡£¹ñµ×²¿Ô²¿×Ó¦Óë»ù´¡²Û¸Öº¸ÀΡ£
6¡¢Ò»Ñùƽ³£ÇéÐιñÌåµÄ²¢ÁÐ×°ÖÃÓ¦ÓëÖ÷ĸÏßµÄ×°Öý»Ìæ¾ÙÐÐ £¬ÕâÑù¿ÉÒÔ×èÖ¹¹ñÌå×°Öúó £¬×°ÖÃÖ÷ĸÏßÄÑÌâ¡£
7¡¢¹ñÌå²¢ÁÐ×°Öúó £¬Ó¦°Ñ¸÷¹ñ¼äµÄÖ÷½ÓµØÄ¸Ïß £¬ÅþÁ¬ÔÚÒ»Æð £¬ÅþÁ¬´¦ÔÚ¹ñºóµ×²¿ £¬²¢ÔÚÊʵ±µÄµØ·½ÓëÐÞ½¨Ô¤ÉèµÄ½ÓµØÍøÏàÅþÁ¬¡£
8¡¢·­¿ª¹ñǰСĸÏßÊÒ¶¥¸Ç°å £¬ÓÃËæ¹ñ´øÀ´µÄ»ÆÍ­°ô½«¸÷¹ñµÄСĸÏßÖðÒ»¶ÔÓ¦ÅþÁ¬ºÃ¡£
9¡¢ÍƳµÇ°Ê×ÏÈÓ¦ÈÏÕæ¼ì²éÖ÷¡¢¸¨»ØÂ·ÐÂÎÅ´¥Í·ÊÇ·ñÓÐËðÉË¡£È»ºó²Á¾»´¥µã´¦µÄ·ÀÐâÓÍ £¬Í¿ÉÏÇå½àµÄÈó»¬Ö¬¡£ÔÙ¼ì²é½ÓµØ´¥Í·ÊÇ·ñÍêºÃ £¬²¢Í¿ÉÏÉÙÐíÈó»¬Ö¬¡£È»ºó¼ì²éÍÆ½ø»ú¹¹¼°ÆäÁªËøÊÇ·ñÔËתÓÅÒì £¬²¢Êʵ±È󻬡£


AGÆì½¢Ìü (Öйú´ó½) Apple Store 

10¡¢¶ÔС³µÉϵĶÏ·Æ÷µÈÖ÷»ØÂ·Ôª¼þ¾ÙÐмì²é¡£ÏêϸµÄÒªÁìÇë²ÎÔÄÏà¹ØµÄÊÖÒÕÎļþ¡£
11¡¢´Ëʱ¿É½«Ð¡³µÐìÐìÍÆÈë¹ñÄÚ £¬ÍƽøÊ±Òª×¢ÖØ´¥Í·µÄ²å½ÓÇéÐκÍС³µµÄ¶¨Î»ÇéÐÎ £¬ÒÔ¼°³µÁ½²àÓëÌôÁ±×Ó°å¹Õ±ÛµÄ¶ÔÓ¦¹ØÏµ £¬Ð¡³µÊÔÍÆºó £¬Ó¦ÍË»ØÊÔÑéλÖþÙÐÐµçÆøÊÔÑ顣ƾ֤ԭÀí½ÓÏßͼ £¬¼ì²é¿ª¹Ø¹ñ¸÷²¿·ÖµçÆ÷ÊÇ·ñÕý³£(¿ØÖÆÐÔÄÜ) £¬Ðж¯ÊÇ·ñ¿É¿¿¡£

¾Å¡¢Ê¹ÓÃÓëά»¤

¿ª¹Ø¹ñÔÚÔËÐÐÖÐ,ÔËÐÐÖ°Ô±³ýÓ¦×ñÊØÓйعæ³ÌÍâ £¬»¹Ó¦×¢ÖØÒÔÏÂÎÊÌâ¡£
1¡¢²Ù×÷³ÌÐò
ËäÈ»¿ª¹Ø¹ñÉè¼ÆÓаü¹Ü¿ª¹Ø¹ñ¸÷²¿·Ö²Ù×÷³ÌÐò׼ȷµÄÁªËø,¿ÉÊDzÙ×÷Ö°Ô±¶Ô¿ª¹Ø¹ñ¸÷²¿·ÖµÄͶÈëºÍÍ˳öÈÔÓ¦ÑϿᰴ²Ù×÷¹æ³ÌºÍ±¾ÊÖÒÕÎļþµÄÒªÇó¾ÙÐÐ £¬²»Ó¦ËæÒâ²Ù×÷ £¬¸ü²»Ó¦ÔÚ²Ù×÷ÊÜ×èʱ £¬²»¼ÓÆÊÎöÇ¿ÐвÙ×÷¡£²»È» £¬ÈÝÒ×Ôì³É×°±¸Ë𻵠£¬ÉõÖÁÒýÆðʹÊ¡£
(1£©Î޽ӵؿª¹ØµÄ¶Ï·Æ÷¹ñµÄ²Ù×÷
a.½«¶Ï·Æ÷¿ÉÒÆ¿ª²¿¼þ×°Èë¹ñÌå
¶Ï·Æ÷С³µ×¼±¸ÓɹñÍâÍÆÈë¹ñÄÚǰ £¬Ó¦ÈÏÕæ¼ì²é¶Ï·Æ÷ÊÇ·ñÍêºÃ £¬ÓÐûÓЩװ²¿¼þ £¬ÓÐÎÞ¹¤¾ßµÈÔÓÎï·ÅÔÚ»ú¹¹Ïä»ò¿ª¹ØÄÚ £¬È·ÈÏÎÞÎÊÌâºó½«Ð¡³µ¸½¼Ó¹ìµÀÖÃÓÚ¹ñǰ £¬ÔÙ½«Ð¡³µÑعìµÀƽÎÈÍÆÈë¹ñÌ塣С³µÍƽøÊÜ×èʱ(ÕâʱС³µÇ°¸Ç°å¾à¹ñÌåÓÐ260mm¾àÀë) £¬Ð¡³µ´¦ÓÚÊÔÑéλÖà £¬½«Ëø¶¨»ú¹¹ÊÖ±úתµ½ÔÝͣλÖà £¬½«¸¨Öú»ØÂ·²åÍ·²åºÃºó £¬ÔÙ½«Ð¡³µËø¶¨»ú¹¹ÊÖ±úתÖÁËø¶¨Î»ÖÃËø¶¨Ð¡³µ £¬ÔÚÖ÷»ØÂ·Î´½ÓͨµÄÇéÐÎ϶Կª¹Ø¹ñ¾ÙÐÐµçÆøÊÔÑé¡£ÈôÏë¼ÌÐø¾ÙÐвÙ×÷ £¬Ê×ÏȽ«Ð¡³µËø¶¨»ú¹¹ÊÖ±úתÖÁÒÆ¶¯Î»Öà £¬Ê¹Ð¡³µ½øÈëÒÆ¶¯×´Ì¬ £¬ÕâÊ±ÍÆ½ø»ú¹¹Ò¡°Ñ²å¿×·­¿ª £¬²åÈëÒ¡°Ñ˳ʱÕëת¶¯ £¬Ö±ÖÁС³µÇ°¸Ç°åÓë¹ñÌåÏà½Ó´¥ £¬Ð¡³µµÖ´ïÊÂÇéλÖà £¬½«Ð¡³µËø¶¨»ú¹¹ÊÖ±úתÖÁËø¶¨×´Ì¬Ëø¶¨Ð¡³µ¡£´Ëʱ £¬Ö÷»ØÂ·½Óͨ £¬¶Ï·Æ÷ÒÑ´¦ÓÚ×¼±¸×´Ì¬ £¬¿Éͨ¹ý¿ØÖÆ»ØÂ·¶ÔÆä¾ÙÐкϡ¢·Ö²Ù×÷¡£


AGÆì½¢Ìü (Öйú´ó½) Apple Store 

Èô×¼±¸½«Ð¡³µ´ÓÊÂÇéλÖÃÍ˳ö £¬Ê×ÏÈӦȷÈ϶Ï·Æ÷ÒÑ´¦ÓÚ·Öբ״̬¡£È»ºóת¶¯Ð¡³µËø¶¨»ú¹¹ÊÖ±úÖÁÒÆ¶¯Î»ÖÃ,С³µ½øÈëÒÆ¶¯×´Ì¬¡£²åÈëÒ¡°Ñ £¬ÄæÊ±Õëת¶¯ £¬Ð¡³µÍ˳ö260mmºó £¬Ð¡³µ»Øµ½ÊÔÑéλÖà £¬´Ëʱ £¬Ö÷»Øõè¾¶ÒѾ­ÍêÈ«¶Ï¿ª¡£Èç½«Ëø¶¨»ú¹¹ÊÖ±úתµ½Ëø¶¨Î»Öà £¬Ð¡³µÔÚÊÔÑéλÖÃËø¶¨¡£
b.´Ó¹ñÌåÖÐÈ¡³öС³µ
Èô×¼±¸´Ó¹ñÌåÄÚÊÔÑéλÖÃÈ¡³öС³µ £¬Ó¦ÏȽ«¸½¼Ó¹ìµÀ·ÅÔÚ¹ñǰ×îÊʵ±µÄλÖà £¬È·¶¨¶Ï·Æ÷´¦ÓÚ·Öբ״̬ £¬½«Ð¡³µËø¶¨»ú¹¹ÊÖ±úתÖÁÔÝͣλÖÃ,Õª³ý¸¨Öú»ØÂ·²åÍ· £¬ÔÙÓÃÁ¦À­³öС³µ¡£
(2)Óнӵؿª¹ØµÄ¶Ï·Æ÷µÄ²Ù×÷
´ø½ÓµØ¿ª¹ØµÄ¶Ï·Æ÷¹ñ½«¶Ï·Æ÷С³µÍÆÈë¹ñÄںʹӹñÄÚÈ¡³öС³µµÄ³ÌÐòÓë²»´ø½ÓµØ¿ª¹ØµÄ¶Ï·Æ÷¹ñµÄ²Ù×÷³ÌÐòÍêÈ«Ïàͬ,½öÔÚС³µ¹ñÄÚÒÆ¶¯Àú³ÌºÍ²Ù×÷½ÓµØ¿ª¹ØÀú³ÌÖÐÒª×¢ÖØÈçÏÂÎÊÌâ:
a.С³µÔÚ¹ñÄÚ²Ù×÷
µ±×¼±¸½«Ð¡³µÍÆÈëÊÂÇéλÖÃʱ,³ýÁËÒª×ñÊØÉÏÊöÖÐÌáÇë×¢ÖØµÄÖîÏîÒªÇóÍâ £¬»¹Ó¦È·ÈϽӵؿª¹Ø´¦ÓÚÍÑÀë״̬ £¬²»È»ÏÂÒ»²½²Ù×÷½«ÎÞ·¨Íê³É¡£
b.ºÏ½ÓµØ¿ª¹Ø²Ù×÷
ÈôÒªºÏ½ÓµØ¿ª¹Ø £¬Ê×Ðн«Ð¡³µÍ˳ö¹ñÍâ £¬²åÈë½ÓµØ¿ª¹Ø²Ù×÷ÊÖ°Ñ £¬·½¿É¾ÙÐкÏÕ¢²Ù×÷ £¬ºÏ·Ö½ÓµØ¿ª¹Ø±ØÐ赽λ £¬²»Ó¦ÔÚ²Ù×÷Àú³ÌÖÐÐÄ×èÖ¹¡£
(3£©Ò»Ñùƽ³£¸ôÀë¹ñµÄ²Ù×÷


AGÆì½¢Ìü (Öйú´ó½) Apple Store 

¸ôÀëС³µ±¾²»¾ß±¸½ÓͨºÍ¶Ï¿ª¸ººÉµçÁ÷µÄÄÜÁ¦,Òò´ËÔÚ¸ººÉµÄÇéÐÎÏÂÍÆÀ­Ð¡³µÊǼ«ÆäΣÏÕµÄ,Òò´ËÔÚ¾ÙÐиôÀëС³µ¹ñÄÚ²Ù×÷ʱ £¬±ØÐèÓаü¹ÜÊ×ÏȶϿªÓëÖ®ÏàÅäºÏµÄ¶Ï·Æ÷ £¬ÔÚÈ·È϶Ï·Æ÷È·ÒÑ·ÖÕ¢ºó £¬ÔÙ¾ÙÐиôÀë¹ñ´ÓÊÔÑ飨Öü´æ)λÖýøÈëÊÂÇéλÖà £¬»ò´ÓÊÂÇéλÖÃÍ˳öµÄ²Ù×÷¡£
(4£©¾ÍµØ²Ù×÷¶Ï·Æ÷
¶Ï·Æ÷С³µÃæ°åÉÏÓжÏ·Æ÷µÄ·ÖºÏ²Ù×÷Å¥ £¬Ò»Ñùƽ³£ÇéÐκÏÕ¢²Ù×÷Å¥Êǹ©Ð¡³µÔÚÊÔÑéλÖÃ×öÊÔÑéÓõÄ¡£Ð¡³µÔÚÊÂÇéλÖÃʱºÏÕ¢°´Å¥Ò»Ñùƽ³£²»Æð×÷ÓÃ(ÈôÊÇÐèÒªÔÚÊÂÇéλÖÃÈÔȻʹÓöÏ·Æ÷»ú¹¹ÏäµÄ°´Å¥Ö±½ÓºÏÕ¢,ÇëÔÚ¶¨»õÊ±ÌØÊâ˵Ã÷)¡£Ð¡³µ¶Ï·Æ÷µÄ·ÖբťÊÇ×öΪʹÊ״̬µÄ½ôÆÈ·ÖբʱʹÓõÄ,Õý³£ÇéÐÎÏÂÔÚÊÂÇéλÖò»ÒªÊ¹ÓÃ,ÒÔ×èÖ¹¿ØÖÆ»ØÂ·Âß¼­ÔÓÂÒ¡£ºÏ¡¢·Ö°´Å¥Æ½Ê±ÊÇÓ÷À»¤ÕÖ¸ÇסµÄ £¬½ôÆÈÇéÐÎÓù¤¾ß²àÏòÇû÷ £¬Ê¹Æä´Ó¸ù²¿Çв۴¦¶Ï¿ª £¬¾Í¿ÉÒÔ¾ÙÐвÙ×÷¡£
2¡¢×÷ÓÃÁªËøµÄ×¢ÖØÊÂÏî
(1)±¾²úÆ·µÄÁªËø¹¦Ð§ÊÇÒÔ»úеÁªËøÎªÖ÷ £¬¸¨Ö®ÒÔµçÆøÁªËøÊµÏÖÆä¹¦Ð§µÄ,¹¦Ð§ÉÏÄÜʵÏÖ¿ª¹Ø¹ñ¡°Îå·À¡±±ÕËøµÄÒªÇ󡣿ÉÊDzÙ×÷Ö°Ô±²»Ó¦Òò´ËºöÊÓ²Ù×÷¹æ³ÌµÄÒªÇó £¬²»°´¹æ³Ì»®¶¨µÄÒªÇó £¬×ñÊØ¡°¶þƱÈýÖÆ¡±µÄÖÆ¶È¡£Ö»ÓÐ×éÖ¯ÊÖ¶ÎÓëÊÖÒÕÊÖ¶ÎÏàÍŽá²Å»ªÓÐÓÃʩչÁªËø×°Öõİü¹Ü×÷Óà £¬±ÜÃâÎó²Ù×÷ʹʵı¬·¢¡£
(2)±¾²úÆ·µÄÁªËø¹¦Ð§µÄͶÈëÓëɨ³ý £¬´ó²¿·ÖÊÇÔÚÕý³£²Ù×÷Àú³ÌÖÐͬʱʵÏÖµÄ £¬²»ÐèÒªÔöÌíÌØÁíÍâ²Ù×÷°ì·¨¡£Èç·¢Ã÷²Ù×÷ÊÜ×裨Èç²Ù×÷×èÁ¦Í»È»Ôö´ó£©Ó¦Ê×Ïȼì²éÊÇ·ñÓÐÎó²Ù×÷µÄ¿ÉÄÜ £¬¶ø²»Ó¦Ç¿ÐвÙ×÷ÒÔÖÂËð»µ×°±¸ £¬ÉõÖÁµ¼ÖÂÎó²Ù×÷ʹʵı¬·¢¡£
3¡¢¿ª¹Ø¹ñµÄÄ¥Á·Ó¦³ý°´Óйعæ³ÌÒªÇó¾ÙÐÐÍâ £¬½¨ÒéÓû§ÌØÊâ×¢ÖØÒÔϼ¸µã:


AGÆì½¢Ìü (Öйú´ó½) Apple Store 

(1)°´ÆÚ°´Õæ¿Õ¶Ï·Æ÷µÄ×°ÖÃʹÓÃ˵Ã÷ÊéµÄÒªÇó £¬¼ì²é¶Ï·Æ÷µÄÇéÐÎ £¬²¢¾ÙÐÐÐëÒªµÄµ÷½â¡£
(2£©¼ì²éС³µÍƽø»ú¹¹¼°ÆäÁªËøµÄÇéÐÎ £¬Ê¹ÆäÖª×㱾˵Ã÷ÊéÓйØÒªÇó¡£
(3£©¼ì²éÖ÷»ØÂ·´¥Í·µÄÇéÐÎ £¬²Á³ý¶¯¡¢¾²´¥Í·Éϳ¸¯ÓÍÖ¬ £¬¹Û²ì´¥Í·ÓÐÎÞËðÉË;µ¯»ÉÁ¦ÓÐÎÞÏÔ×Åת±ä©rÓÐÎÞÒòζȹý¸ßÒýÆð¶Æ²ãÒì³£Ñõ»¯Õ÷Ïó £¬ÈôÓÐÒÔÉÏÇéÐÎ £¬Ó¦ÊµÊ±´¦Öóͷ£¡£
(4£©¼ì²é¸¨Öú»ØÂ·´¥Í·ÓÐÎÞÒì³£ÇéÐÎ £¬²¢¾ÙÐÐÐëÒªµÄÐÞÕû¡£
(5£©¼ì²é½ÓµØ»ØÂ·¸÷²¿·ÖµÄÇéÐÎ £¬Èç½ÓµØ´¥Í·¡¢Ö÷½ÓµØÏß¼°¹ýÃŽӵØÏßµÈ £¬°ü¹ÜÆäµçÒ»Á¬ÐÔ¡£
(6£©¼ì²é¸÷²¿·Ö½ô¹Ì¼þ,ÈôÓÐËɶ¯ £¬Ó¦ÊµÊ±½ô¹Ì¡£

Ê®¡¢ÔËÊäÓëÖü´æ

1¡¢¿ª¹Ø¹ñµÄÔ¶³ÌÔËÊä £¬½¨Òé²»½ÓÄɹ«Â·ÔËÊäµÄ·½·¨ £¬ÌØÊâ²»Òª³¤¾àÀëÔÚÈý¼¶ÒÔϹ«Â·ÔËÊä¡£
2¡¢¿ª¹Ø¹ñÔÚ°ü×°µ×°åÉÏÀο¿Ê±¿É½ÓÄɹöÔË¡£ÎÞ°ü×°¿ª¹Ø¹ñÓ¦½ÓÄɵõÔË»ò²ùÔË¡£
3¡¢¿ª¹Ø¹ñ(×ÝÈ»ÊÇ´øÍâ°ü×°µÄ)²»Ò˺ã¾ÃÔÚ»§Íâ´¢·Å¡£½Ï³¤Ê±ÆÚ²»±ØµÄ¿ª¹Ø¹ñ £¬Ó¦´¢·ÅÔÚ¸ÉÔï £¬Í¸·çµÄ»§ÄÚ¿ÍÕ»ÖС£¿ª¹Ø¹ñµÄÍâ°ü×°ÓÐÓÃÆÚÒ»Ñùƽ³£²»Áè¼ÝÒ»Äê¡£
 
ʮһ¡¢²úÆ·³ÉÌ×ÐÔ

²úÆ·ÔÚ½»»õʱӦ¾ß±¸ÒÔÏÂÎļþºÍ¸½¼þ:
1¡¢²úÆ·µÄ¼°¸ñ֤ʵÊé
2¡¢²úÆ·µÄ×°ÖÃʹÓÃ˵Ã÷Êé
3¡¢×°Ïäµ¥
4¡¢²úÆ·µÄ¹¤³ÌÉè¼Æ×ÊÁÏ(°üÀ¨ÏµÍ³Í¼ £¬¶þ´Î½ÓÏßͼ £¬×°±¸Ã÷ϸ±íµÈ)
5¡¢¶Ï·Æ÷´¢ÄÜÒ¡°Ñ¡¢Ð¡³µÍƽøÒ¡°Ñ¡¢½ÓµØ¿ª¹Ø²Ù×÷Ò¡°Ñ¼°Ð¡³µ¸½¼Ó¹ìµÀ£¨½¨ÒéÌõÔ¼Á¿10̨ÒÔÏ £¬Ã¿5̨ÅäÒ»Ì×;Áè¼Ý10̨ £¬¼ÓÒ»Ì×)
6¡¢¿ª¹Ø¹ñÄÚÖ÷ÒªÔª¼þµÄ×°ÖÃʹÓÃ˵Ã÷ÊéµÈÊÖÒÕÎļþºÍ¸½¼þ


AGÆì½¢Ìü (Öйú´ó½) Apple Store




ÍøÕ¾µØÍ¼